Digitale Barrierefreiheit bedeutet, dass Websites und Anwendungen so gestaltet sind, dass sie von allen Menschen genutzt werden können – unabhängig von körperlichen, sensorischen oder kognitiven Fähigkeiten. Dazu gehören beispielsweise anpassbare Schriftgrößen, hohe Kontraste, Tastatursteuerung und die Kompatibilität mit Screenreadern. Unser Ziel ist es, Ihnen ein Einkaufserlebnis ohne Barrieren zu ermöglichen.

2m, 100mm, Fol., PROTON-design
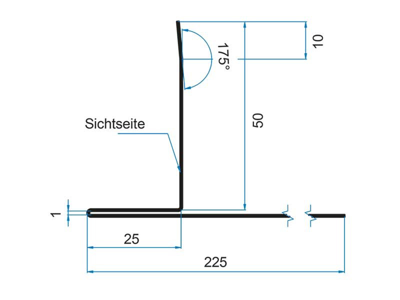
Produktmerkmale
- HerstellerROOFINOX
- ArtikelWinkel Außenecke
- Ausführungmit Schutzfolie
- Länge2000mm
- Breite100mm
- MaterialHFX Edelstahl 1.4301
- OberflächePROTON-design
- HAN19202
Lieferkosten
Legen Sie den gewünschten Artikel einfach auf die Anfrage-/Merkliste und starten Sie eine Preisanfrage.
Wir machen Ihnen gerne ein individuelles Angebot!











