




3,9x16mm, PH2, VG, RDR
ausgeschlossen
Beschreibung
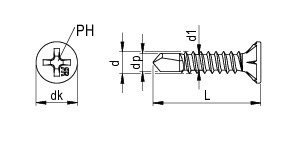
REISSER Fensterbohrschraube Flachsenkkopf
Fensterbohrschraube Flachsenkkopf, Flachsenkkopf, 3,9 x 16, Vollgewinde, PH 2, Stahl, RDR beschichtet, 2.000 Stk.
Einsatzbereich
Direktverschraubung von Rahmenprofilen bis 2,5 mm Armierungsstärke ohne Vorbohren.
Produktstärken
Schnelle Antriebsfindung. Kein Überdrehen dank Bremsrippen. Arbeitsgang Vorbohren entfällt.
Produkthinweis
Länge 13 mm: Bohrspitzenlänge min. 4,0 mm. Längen 16-22 mm: Bohrspitzenlänge min. 4,5 mm. Hoher Korrosionsschutz durch RDR 480 h SSN DIN EN ISO 9227. Sonderausführungen auf Anfrage mit Mindestmenge.
Lieferkosten
Legen Sie den gewünschten Artikel einfach auf die Anfrage-/Merkliste und starten Sie eine Preisanfrage.
Wir machen Ihnen gerne ein individuelles Angebot!


